Description
Box-to-Box Locknut and Snap-Tite® Connectors
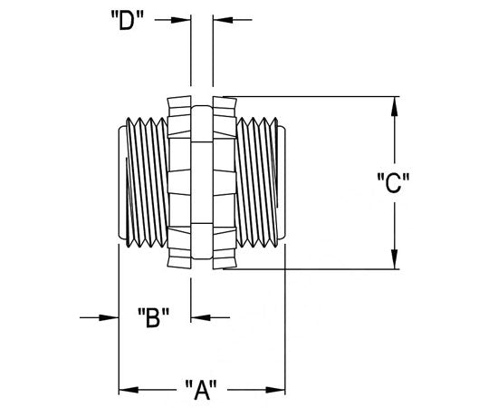
This Box-to-Box Locknut and Snap-Tite® Connectors allows you to connect two or more boxes together while allowing access throughout the boxes.
Specifications
Specifications
![]() |
Part Number | Trade Size | Dim A | Dim B | Dim C | Dim D |
| NPNB-260 | 1/2" | 3.5 | 5.25 | 3.75 |
.100 |
What’s In The Box
What’s In The Box
- Qty (1 pcs) - Box-to-Box Locknut and Snap-Tite® Connectors

