Description
Large Fence Post Mounting Bracket Kit (Pair Of 2)
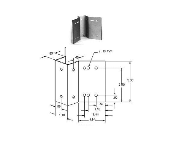
For Mounting Switch Set AL-GRI-IS4400 To Chain Link Gates That Have Large Fence Gate Posts
Special mounting brackets ideal for securing our Weather Resistant Surface Mount Aluminum Industrial Wide Gap Switch Sets to a chain link gate that was built using large fence gate posts. There are two brackets included to mount to two large (2 1/2" to 4") posts. All other mounting hardware included as well. Switch set sold separately.
Features
Features
- Brackets For Mounting Switch Set AL-GRI-IS4400 To Chain Link Gates With Large Sized Gate Posts (2 1/2" to 4")
- Made In U.S.A.
What's In The Box
What's In The Box
- 2 x Brackets For Large Fences (2 1/2" - 4" Diameter Post) + Applicable Mounting Hardware
