Description
Recessed ANSI Switch (UL listed), Tamper Resistant
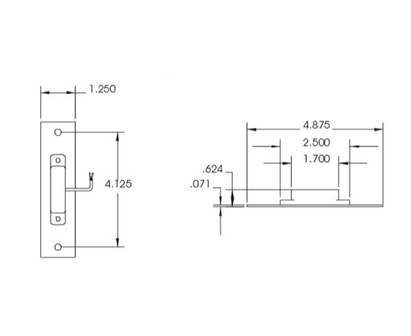
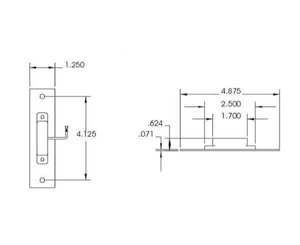
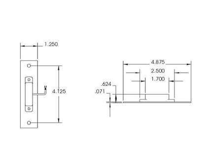
This recessed ANSI switch is an easy install and replaces the standard ANSI stainless steel door plate. The covert installation enhances resistance to tampering or compromise and provides optimum concealment.
Features
Features
- Optimum Concealment Application
- One Inch Gap on S.P.D.T.
- Available in SPDT or DPDT
- 36" Jacketed Cable Lead,
- Covert Installation Enhances Resistance to Tampering or Compromise
- Easy Install Replaces Standard ANSI Stainless Steel Door Plate
- U.L. Listed
- Made In U.S.A.
Specifications
Technical Specs: SPDT |
|||
| Loop Type: | Open/Closed | ||
| Electrical Config: | SPDT | ||
| Reed Form: | C | ||
| Maximum Intitial Contact Resistance (Ω): | .140 | ||
| Maximum Contact Rating (W): | 5 | ||
| Maximum Switching Voltage (VDC): | 175 | ||
| Maximum Switching Current (A): | .250 | ||
Technical Specs: DPDT |
|||
| Loop Type: | Open/Closed | ||
| Electrical Config: | DPDT | ||
| Reed Form: | C | ||
| Maximum Intitial Contact Resistance (Ω): | .140 | ||
| Maximum Contact Rating (W): | 5 | ||
| Maximum Switching Voltage (VDC): | 175 | ||
| Maximum Switching Current (A): | .250 | ||
What's In The Box
What's In The Box
- 1 x Recessed ANSI Switch
