These products are all Made to Order
Which means they are non-cancelable and non-refundable
Description
Water Valve Shutoff (Flood Prevention Device)
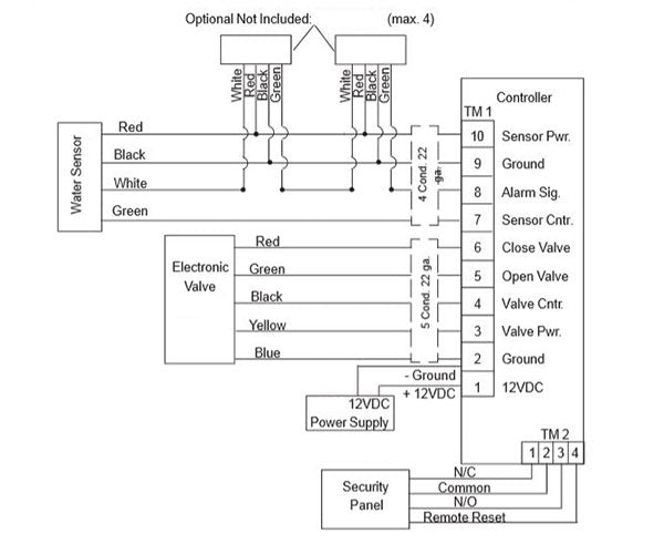
The Water Valve Shutoff System was designed as a flood prevention device. This system utilizes an electronic controller to provide automatic control of an electronic water valve that is installed in the main water supply line. The controller continually monitors water sensors that are placed in areas where flooding from water line breaks are most likely to occur; washing machine, hot water heater, sinks, dishwasher
When water is sensed by the water sensor, the sensor will signal the controller of the presence of water. The controller then automatically powers the electronic valve and signals it too close. Once the controller senses that the valve is in the closed position, the controller will then trigger the C form relay that can be used to signal a remote monitoring device, such as an alarm panel or auto dialer. While in this alarm condition, the controller will annunciate an audible alarm and flash an alarm indication LED. The controller will stay in this alarm condition with the valve closed up until the reset button is depressed. When the reset is depressed while in the alarm mode, the controller will either open the valve and return to the normal monitoring mode or if the sensor still senses the presence of water, the controller will annunciate an alarm condition and the valve remains in the closed position.
At any time, the position of the valve is open, a press and hold will cause the valve to close. If the valve is closed, a press and hold will open the valve.
Features
Features
- Monitors flooding from leaking or broken water line
- Automatic control of main water supply line
- Form C Relay output for external monitoring devices
- Visual and audible status indicators
- Automatic self testing
- Covers large area when used with multiple sensors
- Low voltage design with battery backup
- Made In U.S.A.
Specifications
Specifications
What's In The Box
What's In The Box
- 1 x Electronic Controller
- 1 x Electronic Water Valve
- 1 x Water Sensor
- 1 x 12 VDC Regulated Power Supply
- 9 x Connectors
